Soupapes de sécurité à commande pilote
JRB
Type de vanne BG ou BT de Yuken
Ils sont également connus sous le nom de vannes de décharge à commande électromagnétique.
Les vannes de décharge pilotées protègent le système hydraulique contre une pression excessive et peuvent être utilisées pour maintenir une pression constante dans un système hydraulique.
Le contrôle à distance et le déchargement sont autorisés en utilisant des circuits de ventilation.
Caractéristiques
- La large plage de débit, le fonctionnement précis et la réponse rapide sont obtenus sans instabilité ni cliquetis.
Spécification
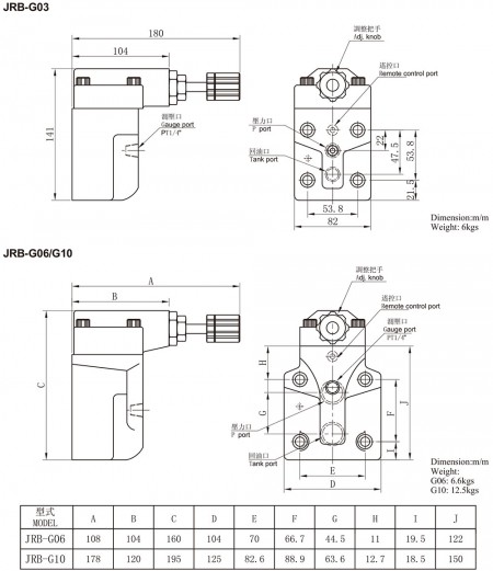
| Numéro de modèle | Pression maximale (kg/cm²) | Connexion (PT) | Débit maximum (lpm) |
|---|---|---|---|
| JRB-※03-※ | 250 | 3/8" | G03: 100 T03 / T04: 80 |
| JRB-※04-※ | 1/2” | ||
| JRB-※06-※ | 3/4" | 200 | |
| JRB-※10-※ | 1-1/4" | 400 |
Nomenclature
- Dimensions de l'unité
- Performance
- Données de montage
- Diagramme de démontage
- Téléchargement de fichiers
Soupapes de décharge pilotées | Plus de 21 ans de fabrication de vannes et de pompes hydrauliques à l'huile de classe mondiale | TAICIN L.S. CO., LTD.
Basée à Taïwan depuis 1982, TAICIN L.S. CO., LTD. est un fabricant de vannes et de pompes hydrauliques. Leurs principaux produits, comprenant des vannes de décharge pilotées, des vannes solénoïdes hydrauliques, des pompes, des vannes cartouches, des vannes modulaires et des vannes proportionnelles, sont conçus selon les principes DFM et FEA.
TAICIN est une entreprise exceptionnelle dédiée à la production et à la vente professionnelle de vannes hydrauliques. Depuis sa création, TAICIN respecte les philosophies commerciales de Professionnalisme, Qualité et Service. TAICIN produit des produits avec une usinage de précision et vérifie strictement le processus de fabrication. TAICIN s'efforce de fournir des produits d'excellente qualité avec une technologie professionnelle et des efforts de R&D, accompagnés d'un service attentionné pour la satisfaction des clients.
TAICIN propose aux clients des pièces hydrauliques de haute qualité, alliant une technologie avancée et 41 ans d'expérience, TAICIN veille à ce que les exigences de chaque client soient satisfaites.



