صمامات التخفيض المعيارية
MG
يُعرف باسم صمامات الساندويتش المعيارية Cetop 3.
تُستخدم هذه الصمامات لتقليل الضغط في دائرة معينة أقل من الدائرة الرئيسية.
الميزات
- يجب أن يتصل فتحة التصريف بالخزان.
- لتحقيق تخفيض الضغط المفضل ، يجب أن يتم الحفاظ على فرق الضغط بين الضغط الرئيسي والضغط الثانوي أكثر من 10 كجم / سم².
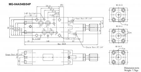
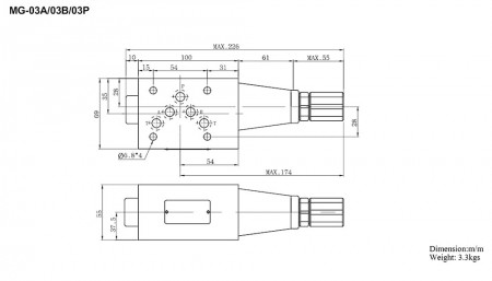
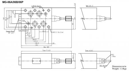
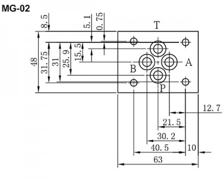
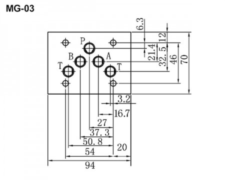
المواصفات
| رقم الموديل | القطر المسمى (PT) Dia. | أقصى ضغط (كغ/سم²) | أقصى تدفق (لتر في الدقيقة) |
|---|---|---|---|
| MG-02A (B) (P) | 1/4” | 210 | 35 |
| MG-03A (B) (P) | 3/8” | 70 | |
| MG-04A (B) (P) | 1/2” | 300 | |
| MG-06A (B) (P) | 3/4” | 180 |
تسميات
- أبعاد الوحدة
- الأداء
- بيانات التركيب
- رسم تفكيك
- تحميل الملفات
صمامات تخفيض الضغط المودولارية | أكثر من 21 عامًا من تصنيع صمامات ومضخات هيدروليكية عالمية المستوى | TAICIN L.S. CO., LTD.
مقرها في تايوان منذ عام 1982، TAICIN L.S. CO., LTD. كانت شركة تصنيع صمامات ومضخات هيدروليكية للزيت. منتجاتهم الرئيسية تشمل صمامات تخفيض الضغط القابلة للتعديل، صمامات السولينويد الهيدروليكية، المضخات، صمامات الكارتريدج، الصمامات الموديلية والصمامات التناسبية، والتي تم تصميمها وفقًا لمبادئ DFM وFEA.
TAICIN هي شركة متميزة مكرسة للإنتاج والبيع المهني للصمامات الهيدروليكية. منذ تأسيسها، تلتزم TAICIN بفلسفة الأعمال المهنية والجودة والخدمة. تنتج TAICIN منتجات بتصنيع دقيق وتفحص عملية التصنيع بدقة. تسعى TAICIN لتوفير منتجات ذات جودة ممتازة بتقنية مهنية وجهود البحث والتطوير، مع تقديم خدمة متعاونة لضمان رضا العملاء.
تقدم TAICIN للعملاء قطع هيدروليكية عالية الجودة، مع التكنولوجيا المتقدمة وخبرة تمتد لمدة 41 عامًا، يضمن TAICIN تلبية مطالب كل عميل.



