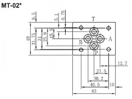
صمامات خانقة وحدوية
MT-02P، 02T
يُعرف باسم صمام ساندويتش وحدوي Cetop ، لذلك يوجد صمامات خانقة وصمامات تحكم في السرعة.
إنه للتحكم في سرعة المشغل وضبط التحكم في تدفقه.
عندما يمر الزيت الهيدروليكي عبر الصمام الخانق ، إذا كان منفذ الدخول أو الخروج لديه تغيرات في الضغط ، فسيتغير تدفقه وفقًا لذلك.
الميزات
- ينخفض التدفق إذا تم تدوير برغي الضبط في اتجاه عقارب الساعة؛ يزداد التدفق إذا تم تدويره عكس اتجاه عقارب الساعة.
- بما أنه صمام خانق من نوع بكرة ، لا يمكن إيقاف تدفق الزيت تمامًا.
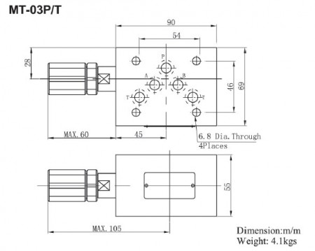
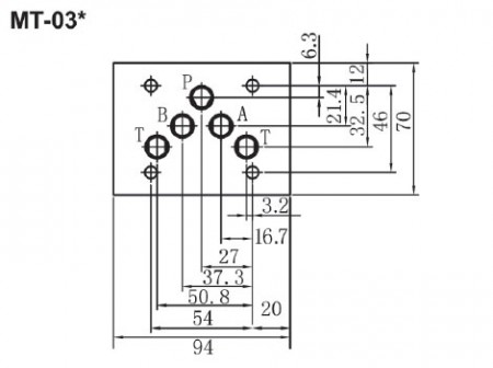
المواصفات
| رقم الموديل | الضغط الأقصى (كجم/سم²) | التدفق الأقصى (لتر/دقيقة) |
|---|---|---|
| MT-02 | 210 | 35 |
| MT-03 | 70 |
تسميات
- أبعاد الوحدة
- الأداء
- بيانات التركيب
- رسم تفكيك
- تحميل الملفات
صمامات البخاخ المتعددة | أكثر من 21 عامًا من تصنيع صمامات ومضخات الزيت الهيدروليكية عالمية المستوى | TAICIN L.S. CO., LTD.
مقرها في تايوان منذ عام 1982، TAICIN L.S. CO., LTD. كانت شركة تصنيع صمامات ومضخات زيت هيدروليكية. منتجاتهم الرئيسية تشمل صمامات الخنق المعيارية وصمامات السولينويد الهيدروليكية والمضخات وصمامات الكارتريدج والصمامات المعيارية والصمامات التناسبية، والتي تم تصميمها وفقًا لمبادئ DFM وFEA.
TAICIN هي شركة متميزة مكرسة للإنتاج والبيع المهني للصمامات الهيدروليكية. منذ تأسيسها، تلتزم TAICIN بفلسفة الأعمال المهنية والجودة والخدمة. تنتج TAICIN منتجات بتصنيع دقيق وتفحص عملية التصنيع بدقة. تسعى TAICIN لتوفير منتجات ذات جودة ممتازة بتقنية مهنية وجهود البحث والتطوير، مع تقديم خدمة متعاونة لضمان رضا العملاء.
تقدم TAICIN للعملاء قطع هيدروليكية عالية الجودة، مع التكنولوجيا المتقدمة وخبرة تمتد لمدة 41 عامًا، يضمن TAICIN تلبية مطالب كل عميل.



