Modulare Überdruckventile
MR
Es wird als Cetop-modulares Sandwichventil bezeichnet. Das Entlastungsventil ist als druckeinstellbares Ventil und Sicherheitsventil bekannt.
Im Betrieb ist es normalerweise offen; Wenn überschüssiges Hydrauliköl auftritt, wird es automatisch in den Öltank entlastet, um die Stabilität des Hydrauliksystems aufrechtzuerhalten.
Merkmale
- Der Rückstaudruck im Tankport sollte niedriger als 5 kg/cm² sein.
- Wenn das Ventil als Sicherheitsventil verwendet wird, sollte der Einstelldruck um 10 - 15 kg/cm² höher sein als der maximale Systemdruck.
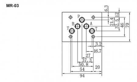
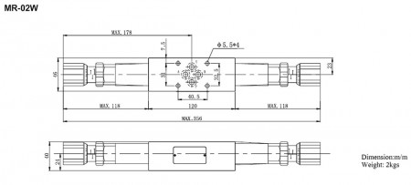
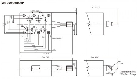
Spezifikation
| Modellnummer | Kaliber (PT) Dia. | Max. Druck (kg/cm²) | Max. Durchfluss (lpm) |
|---|---|---|---|
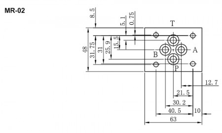
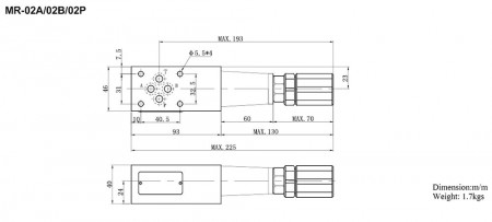
| MR-02A (B) (P) | 1/4” | 210 | 35 |
| MR-02W | 1/4” | 35 | |
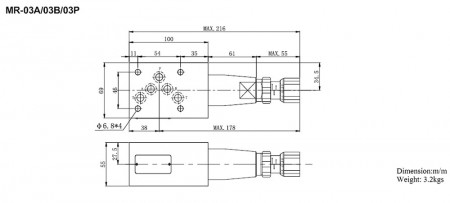
| MR-03A (B) (P) | 3/8” | 70 | |
| MR-03W | 3/8” | 70 | |
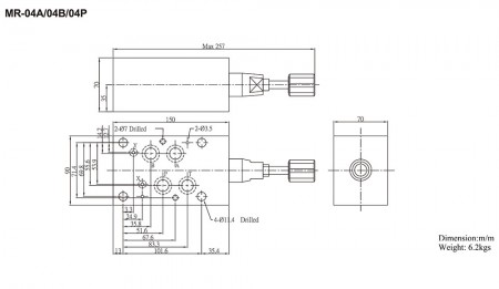
| MR-04A (B) (P) | 1/2” | 200 | |
| MR-06A (B) (P) | 3/4” | 180 |
Nomenklatur
- Einheitsabmessungen
- Montagedaten
- Demontageschema
- Dateien herunterladen
Modulare Druckentlastungsventile | Über 21 Jahre weltklasse Hersteller von ölhydraulischen Ventilen und Pumpen | TAICIN L.S. CO., LTD.
Seit 1982 mit Sitz in Taiwan ist TAICIN L.S. CO., LTD. ein Hersteller von ölhydraulischen Ventilen und Pumpen. Ihre Hauptprodukte umfassen modulare Druckbegrenzungsventile, hydraulische Magnetspulenventile, Pumpen, Patronenventile, modulare Ventile und Proportionalventile, die nach den Prinzipien DFM und FEA entwickelt wurden.
TAICIN ist ein herausragendes Unternehmen, das sich der professionellen Produktion und dem Verkauf von Hydraulikventilen widmet. Seit der Gründung hält TAICIN sich an die Geschäftsphilosophien von Professionalität, Qualität und Service. TAICIN produziert Produkte mit präziser Bearbeitung und überprüft den Herstellungsprozess streng. TAICIN bemüht sich, Produkte von ausgezeichneter Qualität mit professioneller Technologie und Forschungs- und Entwicklungsbemühungen anzubieten, begleitet von einem aufmerksamen Kundenservice zur Zufriedenheit der Kunden.
TAICIN bietet Kunden seit 41 Jahren hochwertige Hydraulikteile mit fortschrittlicher Technologie und Erfahrung. TAICIN stellt sicher, dass die Anforderungen jedes Kunden erfüllt werden.



