Válvulas de alivio piloto electrohidráulicas proporcionales
EDG
Esta válvula consta de un pequeño solenoide de corriente continua y una válvula de alivio de acción directa. Sirve como válvula piloto para un sistema hidráulico de baja velocidad de flujo o una válvula de control electrohidráulica proporcional y controla la presión en proporción a la corriente de entrada.
Esta válvula se utiliza en conjunto con el amplificador de potencia correspondiente
Características
- Componente de solenoide de corriente continua y válvulas de alivio tipo vertical.
- La bobina proporcional permite una correspondencia de presión no escalonada con la corriente de entrada.
- Amplificadores de potencia para uso opcional.
Especificación
| Número de modelo | Presión de operación máxima | Flujo máximo | Rango de ajuste de presión | Corriente nominal | Resistencia de la bobina | Histéresis magnética | Repetibilidad | ||
|---|---|---|---|---|---|---|---|---|---|
| EDG-01 | 210 kgf/cm² | 2 L/min | C | 8 ~ 140 | C | 750mA | 10Ω | < 3% | < 0.5% |
| H | 10 ~ 210 | H | 700mA | ||||||
Nomenclatura
Entrada de Corriente VS. Presión

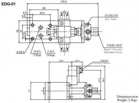
- Dimensiones de la unidad
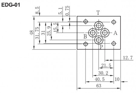
- Datos de montaje
- Diagrama de sección transversal
- Descarga de archivos
Válvulas de alivio piloto electrohidráulicas proporcionales | Más de 21 años de experiencia como fabricante de válvulas y bombas hidráulicas de clase mundial | TAICIN L.S. CO., LTD.
Con sede en Taiwán desde 1982, TAICIN L.S. CO., LTD. ha sido un fabricante de válvulas y bombas hidráulicas. Sus principales productos, incluyendo Válvulas de Alivio Piloto Electroneumáticas Proporcionales, Válvulas Solenoides Hidráulicas, Bombas, Válvulas de Cartucho, Válvulas Modulares y Válvulas Proporcionales, están diseñados con los principios de DFM y FEA.
TAICIN es una empresa destacada dedicada a la producción y venta profesional de válvulas hidráulicas. Desde su establecimiento, TAICIN cumple con los principios empresariales de Profesionalismo, Calidad y Servicio. TAICIN produce productos con mecanizado de precisión y verifica estrictamente el proceso de fabricación. TAICIN se esfuerza por suministrar productos de excelente calidad con tecnología profesional y esfuerzos de investigación y desarrollo, acompañados de un servicio considerado para la satisfacción del cliente.
TAICIN ha estado ofreciendo a los clientes piezas hidráulicas de alta calidad, tanto con tecnología avanzada como con 41 años de experiencia, TAICIN garantiza que se satisfagan las demandas de cada cliente.



