Bombas de paletas de alta presión individuales
PV2R1 / 2 / 3 / 4
Bombas de paletas tipo Yuken
Las bombas de paletas cumplen con una variedad de aplicaciones, incluidas las máquinas de inyección de plástico. Su rango de flujo de salida va desde 5.8 hasta 237 cm³/rev. Las partes integrales de las bombas se combinan en un kit y están disponibles como un kit de cartucho. Por lo tanto, la sustitución de las piezas se puede intercambiar fácilmente.
Características
- Tipo Yuken.
- Alta presión, alta tasa de flujo con apariencia compacta y aplicación de bajo ruido.
- Fácil ensamblaje; libre para elegir la dirección del puerto de entrada/salida.
- Las rotaciones se pueden cambiar fácilmente.
Especificación
| Número de Modelo | Desplazamiento | Velocidad de funcionamiento rpm | Maxi. Presión | Peso | ||
|---|---|---|---|---|---|---|
| Más alto | Más bajo | Tipo de brida | Tipo de pie | |||
| PV2R1-6 | 5.8 | 1800 | 750 | 175 | 9 | 11.2 |
| PV2R1-8 | 8.0 | |||||
| PV2R1-10 | 9.4 | |||||
| PV2R1-12 | 12.2 | 210 | ||||
| PV2R1-14 | 13.7 | |||||
| PV2R1-17 | 16.6 | |||||
| PV2R1-19 | 18.6 | |||||
| PV2R1-23 | 22.7 | |||||
| PV2R1-25 | 25.3 | |||||
| PV2R1-31 | 31.0 | 175 | ||||
| Número de Modelo | Desplazamiento | Velocidad de funcionamiento rpm | Maxi. Presión | Peso | ||
|---|---|---|---|---|---|---|
| Más alto | Más bajo | Tipo de brida | Tipo de pie | |||
| PV2R2-22 | 22 | 1800 | 600 | 210 | 19 | 23.3 |
| PV2R2-26 | 26.6 | |||||
| PV2R2-33 | 33.3 | |||||
| PV2R2-38 | 37.9 | |||||
| PV2R2-41 | 41 | |||||
| PV2R2-47 | 46.9 | |||||
| PV2R2-53 | 52.3 | |||||
| PV2R2-59 | 60 | |||||
| PV2R2-65 | 65 | 175 | ||||
| PV2R2-75 | 74.8 | 140 | ||||
| Número de Modelo | Desplazamiento | Velocidad de funcionamiento rpm | Maxi. Presión | Peso | ||
|---|---|---|---|---|---|---|
| Más alto | Más bajo | Tipo de brida | Tipo de pie | |||
| PV2R3-66 | 66.3 | 1800 | 600 | 210 | 36.7 | 46.7 |
| PV2R3-76 | 76.4 | |||||
| PV2R3-94 | 93.6 | |||||
| PV2R3-116 | 115.6 | 175 | ||||
| PV2R3-125 | 125 | 140 | ||||
| Número de Modelo | Desplazamiento | Velocidad de funcionamiento rpm | Maxi. Presión | Peso | ||
|---|---|---|---|---|---|---|
| Más alto | Más bajo | Tipo de brida | Tipo de pie | |||
| PV2R4-136 | 136 | 1800 | 600 | 175 | 68.5 | 93.5 |
| PV2R4-153 | 153 | |||||
| PV2R4-184 | 184 | |||||
| PV2R4-200 | 201 | |||||
| PV2R4-237 | 237 | |||||
Nota: Cuando la presión de trabajo supere los 160, mantenga su RPM por encima de 1450.
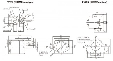
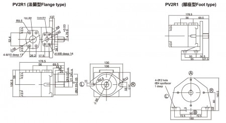
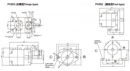
Nomenclatura
- Dimensiones de la Unidad
- Descarga de archivos
Bombas de paletas individuales de alta presión | Más de 21 años de experiencia como fabricante de válvulas y bombas hidráulicas de clase mundial | TAICIN L.S. CO., LTD.
Con sede en Taiwán desde 1982, TAICIN L.S. CO., LTD. ha sido un fabricante de válvulas y bombas hidráulicas de aceite. Sus principales productos incluyen bombas de paletas de alta presión, válvulas solenoides hidráulicas, bombas, válvulas de cartucho, válvulas modulares y válvulas proporcionales, que están diseñadas con los principios de DFM y FEA.
TAICIN es una empresa destacada dedicada a la producción y venta profesional de válvulas hidráulicas. Desde su establecimiento, TAICIN cumple con los principios empresariales de Profesionalismo, Calidad y Servicio. TAICIN produce productos con mecanizado de precisión y verifica estrictamente el proceso de fabricación. TAICIN se esfuerza por suministrar productos de excelente calidad con tecnología profesional y esfuerzos de investigación y desarrollo, acompañados de un servicio considerado para la satisfacción del cliente.
TAICIN ha estado ofreciendo a los clientes piezas hidráulicas de alta calidad, tanto con tecnología avanzada como con 41 años de experiencia, TAICIN garantiza que se satisfagan las demandas de cada cliente.


