Vérifier les cartouches
CX*D
Ces vannes sont des composants de circuit on/off qui permettent un flux libre de l'entrée à la sortie et bloquent le flux dans la direction opposée.
Spécification
| Numéro de modèle | Description | Fonction | Capacité (l/min) | Détails de la cavité N° |
|---|---|---|---|---|
| CX2D | Vérifiez la cartouche, Port de débit libre 2 à Port 1. | 2 ports | 60 | T13A |
| CX3D | 120 | T5A | ||
| CX6D | 240 | T16A | ||
| CX8D | 480 | T18A |
Nomenclature
- Dimensions de l'unité
- Performance
- Symboles des bobines
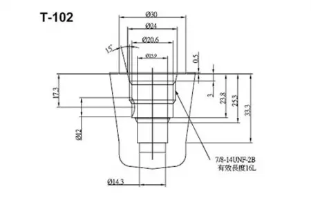
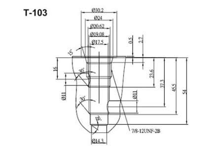
- Détails de la cavité
- Téléchargement de fichiers
Cartouches de contrôle | Plus de 21 ans de fabrication de vannes et de pompes hydrauliques de classe mondiale | TAICIN L.S. CO., LTD.
Basée à Taïwan depuis 1982, TAICIN L.S. CO., LTD. est un fabricant de vannes et de pompes hydrauliques. Leurs principaux produits, comprenant des valves de contrôle, des vannes solénoïdes hydrauliques, des pompes, des valves à cartouche, des valves modulaires et des valves proportionnelles, sont conçus selon les principes DFM et FEA.
TAICIN est une entreprise exceptionnelle dédiée à la production et à la vente professionnelle de vannes hydrauliques. Depuis sa création, TAICIN respecte les philosophies commerciales de Professionnalisme, Qualité et Service. TAICIN produit des produits avec une usinage de précision et vérifie strictement le processus de fabrication. TAICIN s'efforce de fournir des produits d'excellente qualité avec une technologie professionnelle et des efforts de R&D, accompagnés d'un service attentionné pour la satisfaction des clients.
TAICIN propose aux clients des pièces hydrauliques de haute qualité, alliant une technologie avancée et 41 ans d'expérience, TAICIN veille à ce que les exigences de chaque client soient satisfaites.



