Clapet de retenue
MQC
Pour empêcher la chute verticale due à la gravité et la chute libre, il est recommandé d'installer un clapet de retenue dans le circuit de retour d'huile de l'actionneur.
Caractéristiques
- Peut être utilisé pour contrer la pression par le port A ou le port B.
- Type de drainage interne, la sortie passe directement par le réservoir d'huile.
Spécification
| Numéro de modèle | Pression maximale (kg/cm²) | Débit maxi. (l/min) |
|---|---|---|
| MQC-02A (B) | 210 | 35 |
| MQC-03A (B) | 70 | |
| MQC-04A (B) | 300 | |
| MQC-06A (B) | 180 |
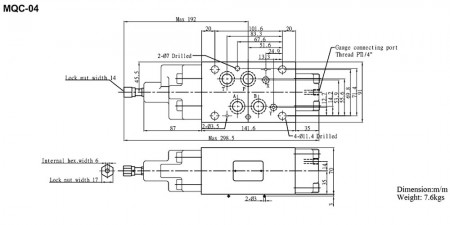
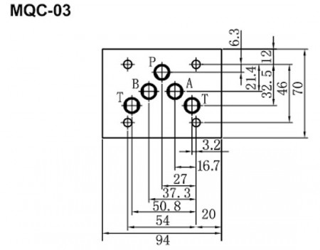
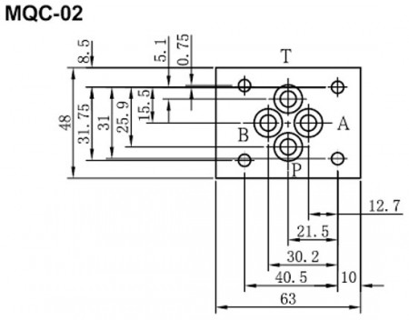
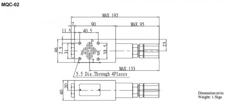
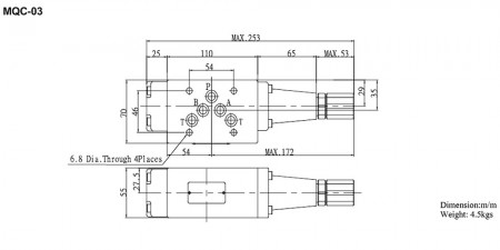
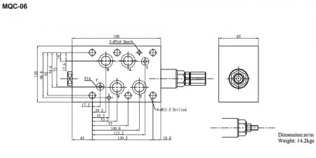
Nomenclature
- Dimensions de l'unité
- Données de montage
- Diagramme de démontage
- Téléchargement de fichiers
Valve de contrebalancement | Plus de 21 ans de fabrication de vannes et de pompes hydrauliques à l'huile de classe mondiale | TAICIN L.S. CO., LTD.
Basée à Taïwan depuis 1982, TAICIN L.S. CO., LTD. est un fabricant de vannes et de pompes hydrauliques. Leurs principaux produits, comprenant des vannes de contrebalancement, des vannes solénoïdes hydrauliques, des pompes, des vannes cartouches, des vannes modulaires et des vannes proportionnelles, sont conçus selon les principes DFM et FEA.
TAICIN est une entreprise exceptionnelle dédiée à la production et à la vente professionnelle de vannes hydrauliques. Depuis sa création, TAICIN respecte les philosophies commerciales de Professionnalisme, Qualité et Service. TAICIN produit des produits avec une usinage de précision et vérifie strictement le processus de fabrication. TAICIN s'efforce de fournir des produits d'excellente qualité avec une technologie professionnelle et des efforts de R&D, accompagnés d'un service attentionné pour la satisfaction des clients.
TAICIN propose aux clients des pièces hydrauliques de haute qualité, alliant une technologie avancée et 41 ans d'expérience, TAICIN veille à ce que les exigences de chaque client soient satisfaites.



