ปั๊มแปรผันแบบกำลังกลาง VDV
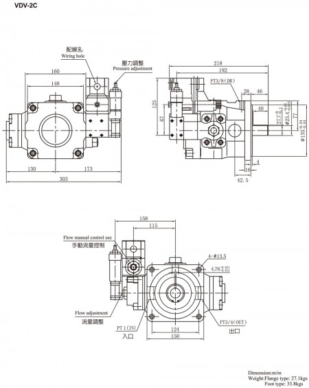
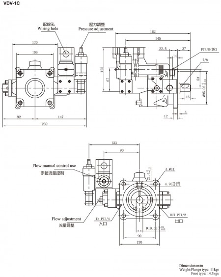
VDV-1C, 2C
ประเภทปั๊มแปรผัน
ความดันสูงสุดคือ 140 กิโลกรัมต่อเซนติเมตร; C เป็นประเภทรีโมทคอนโทรลของมัน
ชุดนี้เป็นชนิดที่ไม่มีภาระ
คุณสมบัติ
- ประสิทธิภาพสูง การทำงานที่มีความดันสูง
- ไม่มีการสั่นสะเทือนและระดับเสียงต่ำ
- ลักษณะการตัดทันทีและคม
- การสูญเสียแรงม้าน้อย
- การปรับแต่งง่ายในการใช้งานและการบำรุงรักษา
ข้อกำหนด
| หมายเลขโมเดล | การส่งมอบโหลดเปล่า (1/นาที) (1800 รอบต่อนาที) | ปรับช่วงความดัน Kgf/cm² | ความเร็วในการวิ่ง (รอบต่อนาที) | ความดันสูงสุด กิโลกรัม-แรงต่อเซนติเมตร² | ||
|---|---|---|---|---|---|---|
| SOL “ปิด” | SOL “เปิด” | สูงสุด | ต่ำสุด | |||
| VDV-1C-F(L)20-※35 | 20 | 15 ~ 18 | เอ: 15 ~ 35 กิโลกรัม-แรงต่อเซนติเมตร² บี: 20 ~ 70 กิโลกรัม-แรงต่อเซนติเมตร² ซี: 50 ~ 105 กิโลกรัม-แรงต่อเซนติเมตร² ดี: 70 ~ 140 กิโลกรัม-แรงต่อเซนติเมตร² | 1800 | 800 | 140 |
| VDV-1C-F(L)25-※35 | 25 | |||||
| VDV-1C-F(L)30-※35 | 30 | |||||
| VDV-1C-F(L)40-※35 | 40 | |||||
| VDV-1C-F(L)54-※35 | 54 | |||||
| VDV-1C-F(L)70-※35 | 70 | 105 | ||||
| VDV-1C-F(L)86-※35 | 86 | 70 | ||||
ชื่อเรียก
- ขนาดหน่วย
- ประสิทธิภาพ
- แผนภาพการถอด
- ดาวน์โหลดไฟล์
ปั๊มแปรผันแรงดันกลาง | ผู้ผลิตวาล์วและปั๊มไฮดรอลิกน้ำมันระดับโลกมากกว่า 21 ปี | TAICIN L.S. CO., LTD.
ตั้งอยู่ในไต้หวันตั้งแต่ปี 1982, TAICIN L.S. CO., LTD. เป็นผู้ผลิตวาล์วและปั๊มไฮดรอลิกน้ำมัน ผลิตภัณฑ์หลักของพวกเขาประกอบด้วยปั๊มแวนแบบเคลื่อนที่แปรผันแรงดันกลางวาล์วโซลินอยด์ไฮดรอลิก, ปั๊ม, วาล์วแคร์ทริดจ์, วาล์วโมดูลาร์และวาล์วสัมพัทธ์ ซึ่งออกแบบด้วยหลักการ DFM และ FEA.
TAICIN เป็นบริษัทที่โดดเด่นในการผลิตและจำหน่ายวาล์วไฮดรอลิก ตั้งแต่ก่อตั้งมา TAICIN ปฏิบัติตามหลักการธุรกิจที่เน้นความเชี่ยวชาญ คุณภาพ และบริการ TAICIN ผลิตสินค้าด้วยกระบวนการเจียระบวนการผลิตที่แม่นยำและตรวจสอบอย่างเคร่งครัด TAICIN พยายามที่จะจัดหาสินค้าที่มีคุณภาพเยี่ยมด้วยเทคโนโลยีและความพยายามในการวิจัยและพัฒนา พร้อมด้วยบริการอันเอื้ออำนวยให้กับลูกค้าเพื่อความพึงพอใจของลูกค้า
TAICIN ได้นำเสนอชิ้นส่วนไฮดรอลิกที่มีคุณภาพสูงให้กับลูกค้ามากมาย ด้วยเทคโนโลยีที่ทันสมัยและประสบการณ์กว่า 41 ปี TAICIN มั่นใจว่าจะตอบสนองความต้องการของลูกค้าแต่ละราย



