Bơm cánh cố định áp suất cao
VF
Loại cố định cung cấp đầu ra và lưu lượng ổn định; Áp suất của nó là 210 kgf/cm2 và thể tích dịch chuyển từ 8cc đến 237cc.
Tính năng
- Hiệu suất cao, ổn định khi hoạt động áp suất cao.
- Tiếng ồn khó chịu thấp, độ rung thấp.
- Lưu lượng đầu ra ổn định với áp suất cao.
- Hoạt động hiệu suất cao với tổn thất công suất động cơ thấp.
Thông số kỹ thuật
| Mô hình | Lưu lượng giao hàng (1/phút) tại áp suất không tải | Tốc độ chạy (vòng/phút) | Áp suất tối đa | |||||
|---|---|---|---|---|---|---|---|---|
| Tốc độ chạy (vòng/phút) | Tối đa | Tối thiểu | Kgf/cm² | |||||
| 1000 | 1200 | 1500 | 1800 | |||||
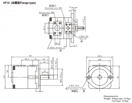
| VF15 | VF15-06 | 6.2 | 7.4 | 9.3 | 11.2 | 1800 | 800 | 210 |
| VF15-08 | 8.1 | 9.7 | 12.1 | 14.6 | ||||
| VF15-11 | 11.2 | 13.4 | 16.8 | 20.1 | ||||
| VF15-14 | 14.3 | 17.1 | 21.5 | 25.7 | ||||
| VF15-17 | 17.1 | 20.5 | 25.6 | 30.7 | ||||
| VF15-19 | 19.2 | 23.0 | 28.8 | 34.5 | ||||
| VF15-23 | 23.3 | 27.9 | 34.9 | 41.9 | ||||
| VF15-26 | 26.1 | 31.3 | 39.1 | 46.9 | ||||
| VF15-31 | 31.1 | 37.3 | 46.6 | - | 175 | |||
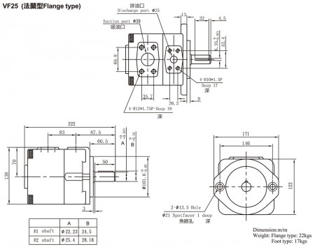
| VF25 | VF25-18 | 18.1 | 21.7 | 27.2 | 32.6 | 1800 | 800 | 210 |
| VF25-22 | 22.1 | 26.5 | 33.2 | 39.8 | ||||
| VF25-26 | 26.2 | 31.4 | 39.3 | 47.1 | ||||
| VF25-32 | 32.1 | 38.5 | 48.1 | 57.7 | ||||
| VF25-38 | 38.2 | 45.8 | 57.3 | 68.7 | ||||
| VF25-43 | 43.2 | 51.8 | 64.8 | 77.7 | ||||
| VF25-47 | 47.1 | 56.5 | 70.0 | 85.0 | ||||
| VF25-52 | 52.3 | 62.7 | 78.4 | 94.1 | ||||
| VF25-60 | 60.2 | 72.7 | 90.3 | 108.3 | ||||
| VF25-65 | 65.3 | 78.3 | 97.9 | 117.5 | ||||
| VF25-75 | 75.0 | 90.1 | 112.5 | - | ||||
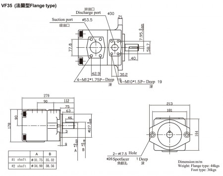
| VF35 | VF35-60 | 60.3 | 72.3 | 90.4 | 108.5 | 1800 | 600 | 175 |
| VF35-66 | 66.4 | 79.6 | 99.6 | 119.5 | ||||
| VF35-76 | 76.3 | 91.5 | 114.4 | 137.3 | ||||
| VF35-82 | 82.2 | 98.6 | 123.3 | 147.9 | ||||
| VF35-88 | 88.3 | 105.9 | 132.4 | 158.9 | ||||
| VF35-94 | 94.5 | 113.4 | 141.7 | 170.1 | ||||
| VF35-108 | 108.2 | 129.8 | 162.3 | 194.4 | ||||
| VF35-116 | 116.1 | 139.3 | 174.1 | 208.9 | ||||
| VF35-125 | 124.6 | 149.5 | 186.9 | - | 1500 | |||
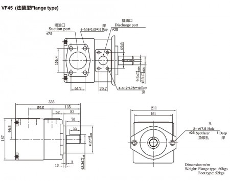
| VF45 | VF45-136 | 136.8 | 164.0 | 204.0 | 246.0 | 1800 | 600 | 165 |
| VF45-156 | 156.2 | 188.0 | 234.0 | 280.0 | ||||
| VF45-189 | 189.5 | 227.0 | 284.0 | 340.0 | ||||
| VF45-216 | 216.0 | 260.0 | 324.0 | - | ||||
| VF45-237 | 237.0 | 285.0 | 355.0 | - | ||||
Danh pháp
- Kích thước đơn vị
- Sơ đồ tháo rời
- Tải xuống tệp
Bơm van vane áp lực cao cố định | Hơn 21 năm sản xuất van và bơm thủy lực dầu hàng đầu thế giới | TAICIN L.S. CO., LTD.
Đặt trụ sở tại Đài Loan từ năm 1982, TAICIN L.S. CO., LTD. đã trở thành nhà sản xuất van và bơm thủy lực dầu. Các sản phẩm chính của họ bao gồm Bơm Van Cánh Áp Lực Cố Định, Van Từ Trường Thủy Lực, Bơm, Van Cartridge, Van Mô-đun và Van Tỷ lệ, được thiết kế dựa trên nguyên lý DFM và FEA.
TAICIN là một công ty xuất sắc chuyên sản xuất và bán van thủy lực. Kể từ khi thành lập, TAICIN tuân thủ triết lý kinh doanh Chuyên nghiệp, Chất lượng và Dịch vụ. TAICIN sản xuất sản phẩm với quy trình gia công chính xác và kiểm tra quy trình sản xuất một cách nghiêm ngặt. TAICIN nỗ lực cung cấp các sản phẩm chất lượng tuyệt vời với công nghệ chuyên nghiệp và nỗ lực nghiên cứu và phát triển, kèm theo dịch vụ chu đáo để đáp ứng sự hài lòng của khách hàng.
TAICIN đã cung cấp cho khách hàng các bộ phận thủy lực chất lượng cao, với công nghệ tiên tiến và 41 năm kinh nghiệm, TAICIN đảm bảo đáp ứng mọi yêu cầu của từng khách hàng.



