比例電気油圧圧力制御および流量制御バルブ
EFBG
比例油圧バルブの典型的な応用には、クレーンや建設、鉱業、プラスチック射出成形などの産業応用が含まれます。
特徴
- 圧力安定で低騒音です。
- 伝統的なおよびマイクロコンピュータタイプの電気制御に最適で、最良の結果を実現します。
- 簡単にマイクロ調整できます。
仕様
| EFBG-03 | EFBG-06 | EFBG-10 | ||
|---|---|---|---|---|
| 最大動作圧力 (kg/cm²) | 210 | |||
| 最大流量 (l/min) | 125 | 250 | 500 | |
| 圧力システム | 圧力調整範囲 | C: 8 – 140 / H: 10 - 210 | ||
| 定格電流 | C: 750 / H: 700 | |||
| コイル抵抗 | 10 | |||
| ヒステリシス | < 3% | |||
| 繰り返し精度 | < 1% | |||
| フローシステム | 流量調整範囲 (l/min) | 1 - 125 | 2 - 250 | 5 - 500 |
| 定格電流 | 750 | |||
| コイル抵抗 | 40 | |||
| ヒステリシス | < 7% | |||
| 繰り返し精度 | < 1% | |||
| 内部抵抗 (A -> B) (kg/cm²) | 5 | |||
命名法
入力電流 VS. 圧力 / 流量



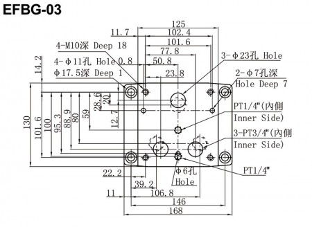
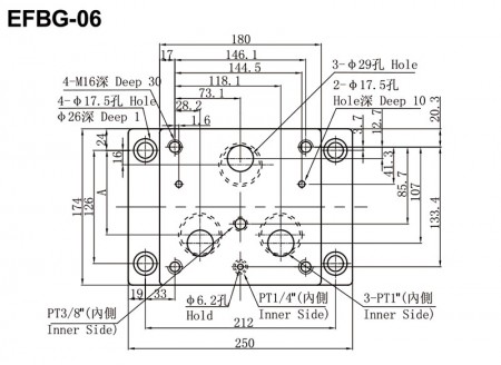
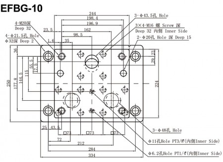
- ユニット寸法
- 取り付けデータ
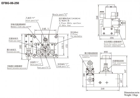
- 断面図
- ファイルダウンロード
比例式電動油圧安全弁および流量制御弁 | 21年以上の世界クラスの油圧弁およびポンプメーカー | TAICIN L.S. CO., LTD.
台湾に拠点を置くTAICIN L.S. CO., LTD.は、1982年以来、油圧弁およびポンプの製造業者として活動しています。彼らの主な製品には、比例電磁油圧安全弁および流量制御弁、油圧ソレノイド弁、ポンプ、カートリッジ弁、モジュラ弁、比例弁などがあり、これらはDFMおよびFEAの原則に基づいて設計されています。
TAICINは、油圧バルブの専門的な製造と販売に専念する優れた会社です。設立以来、TAICINは専門性、品質、サービスのビジネス哲学に従っています。TAICINは精密加工で製品を製造し、製造プロセスを厳密にチェックしています。TAICINは、専門技術と研究開発の努力により、優れた品質の製品を提供し、お客様の満足のために思いやりのあるサービスを提供することを目指しています。
TAICINは、高度な技術と41年の経験を持つことで、お客様に高品質な油圧部品を提供しています。TAICINは、お客様の要求を満たすことを保証しています。



