ソレノイド制御リリーフバルブ
JRS
広範囲の流量にわたる安定した圧力制御を実現し、安全弁としても機能します。
アンロード回路の必要性をなくし、アンロードバルブ自体の機能を提供します。
特徴
- 低騒音運転。
- 高い安定性。
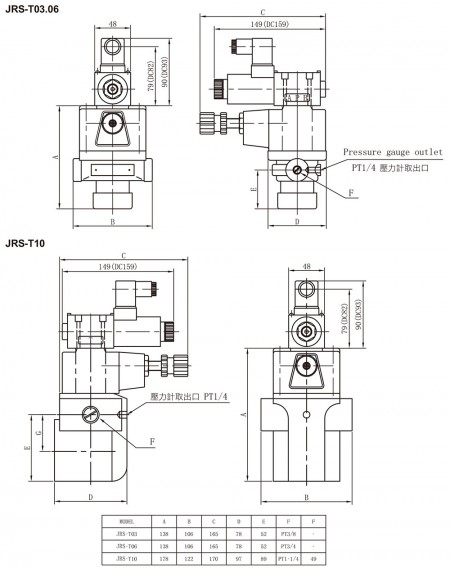
仕様
| モデル番号 | 最大圧力 (kg/cm²) | 適用口径 Dia | 最大フロー (lpm) | 重さ (kg) |
|---|---|---|---|---|
| JRS-G03-30 | 250 | 3/8" | G03: 100 T03: 80 | G (5.8 キログラム) T (6.4 キログラム) |
| JRS-T03-30 | ||||
| JRS-G06-30 | 3/4" | 200 | G (7キログラム) T (6.4キログラム) | |
| JRS-T06-30 | ||||
| JRS-G10-30 | 1-1/4インチ | 400 | G (11.1 キログラム) T (9.9 キログラム) | |
| JRS-T10-30 |
命名法
- ユニット寸法
- 取り付けデータ
- 分解図
- ファイルダウンロード
ソレノイド制御リリーフバルブ | 21年以上の世界クラスのオイル油圧バルブとポンプメーカー | TAICIN L.S. CO., LTD.
台湾に拠点を置くTAICIN L.S. CO., LTD.は、1982年以来、油圧バルブとポンプの製造業者として活動しています。彼らの主な製品には、ソレノイド制御圧力制御バルブ、油圧ソレノイドバルブ、ポンプ、カートリッジバルブ、モジュラーバルブ、比例バルブなどがあり、DFMとFEAの原則に基づいて設計されています。
TAICINは、油圧バルブの専門的な製造と販売に専念する優れた会社です。設立以来、TAICINは専門性、品質、サービスのビジネス哲学に従っています。TAICINは精密加工で製品を製造し、製造プロセスを厳密にチェックしています。TAICINは、専門技術と研究開発の努力により、優れた品質の製品を提供し、お客様の満足のために思いやりのあるサービスを提供することを目指しています。
TAICINは、高度な技術と41年の経験を持つことで、お客様に高品質な油圧部品を提供しています。TAICINは、お客様の要求を満たすことを保証しています。



