Flow Control Valves
FG (FCG)
Flow control valves provide a constant flow rate and precisely control the speed of the actuator.
It is known as a pressure and temperature compensating valve.
Features
- Pressure compensated type flow control valve.
- One of the most precise device; neither pressure nor temperature changes will effect the stability.
Specification
| Model Number | Flow (l/min) | Pressure (kgf/cm²) |
|---|---|---|
| FG (FCG)-01G-8-* | 0.02 - 8 | 140 |
| FG (FCG)-02G-30-* | 0.05 - 30 | 210 |
Nomenclature
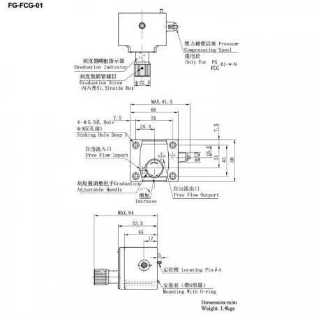
- Unit Dimensions
- Mounting Data
- Files Download
Flow Control Valves | Over 21 Years World-Class Oil Hydraulic Valves and Pumps Manufacturer | TAICIN L.S. CO., LTD.
Based in Taiwan since 1982, TAICIN L.S. CO., LTD. has been an oil hydraulic valves and pumps manufacturer. Their main products, including Flow Control Valves Hydraulic Solenoid Valves, Pumps, Cartridge Valves, Modular Valves and Proportional Valves, which are designed with DFM and FEA principles.
Taicin is an outstanding company devoted to the professional production and selling of hydraulic valves. Since it was established, Taicin comply with business philosophies of Professional, Quality, and Service. Taicin produce products with precision machining and check manufacture process strictly. Taicin strive to supply products of excellent quality with professional technology and R&D efforts, accompany with considerate service for customer's satisfactory.
TAICIN has been offering customers high-quality hydraulic parts, both with advanced technology and 41 years of experience, TAICIN ensures each customer's demands are met.



