High Pressure Single Vane Pumps
DP
DAIKIN type high pressure vane pumps
Daikin type high pressure vane pumps provide high pressure and stable flow;This fixed vane pumps are ideal for engineering or shipbuilding field use.
Features
- Durable.
- Low noise.
- Compact and light.
Specification
| Model number | 在轉速1800rpm. 粘度56mm²/s下的測量值 | Weight (kg) | ||||||||||||
|---|---|---|---|---|---|---|---|---|---|---|---|---|---|---|
| Delivery (l/min) | Input (kw) | |||||||||||||
| 7kgf/cm² | 35kgf/cm² | 70kgf/cm² | 105kgf/cm² | 140kgf/cm² | 175kgf/cm² | 7kgf/cm² | 35kgf/cm² | 70kgf/cm² | 105kgf/cm² | 140kgf/cm² | 175kgf/cm² | |||
| DP12 | 23.0 | 22.5 | 22.0 | 21.0 | 20.0 | 18.0 | 0.7 | 1.8 | 3.5 | 5.2 | 6.8 | 8.3 | Flange 13 | Foot 18 |
| DP13 | 33.5 | 33.0 | 32.0 | 31.0 | 29.5 | 28.5 | 0.9 | 2.7 | 5.0 | 7.3 | 9.4 | 11.6 | ||
| DP14 | 44.0 | 43.5 | 42.5 | 41.0 | 39.5 | 37.0 | 1.3 | 3.5 | 6.5 | 9.3 | 12.0 | 14.8 | ||
| DP15 | 55.0 | 54.5 | 53.5 | 52.0 | 51.0 | 48.0 | 1.5 | 4.6 | 8.1 | 11.8 | 15.3 | 18.8 | ||
| DP206 | 67.0 | 65.0 | 63.0 | 61.0 | 59.0 | 56.0 | 2.3 | 5.5 | 9.9 | 14.4 | 18.6 | 23.1 | Flange 20 | Foot 25 |
| DP208 | 82.0 | 80.0 | 78.0 | 75.5 | 73.0 | 70.0 | 2.7 | 7.0 | 12.2 | 17.5 | 22.9 | 28.1 | ||
| DP210 | 104.0 | 102.0 | 99.0 | 96.0 | 93.0 | 89.0 | 3.2 | 9.0 | 15.5 | 22.3 | 29.0 | 35.8 | ||
| DP212 | 120.0 | 118.0 | 115.0 | 112.0 | 108.0 | 104.0 | 3.4 | 10.5 | 18.3 | 25.7 | 33.4 | 40.9 | ||
Nomenclature
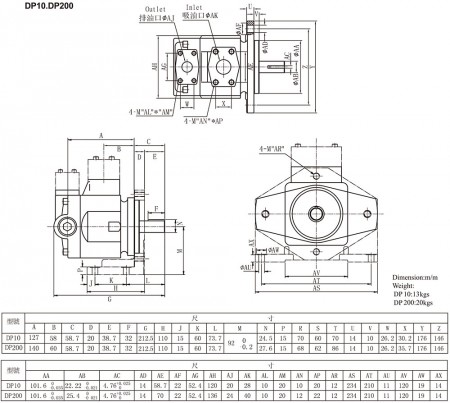
- Unit Dimensions
- Cross Sectional Diagram
- Files Download
High Pressure Single Vane Pumps | Over 21 Years World-Class Oil Hydraulic Valves and Pumps Manufacturer | TAICIN L.S. CO., LTD.
Based in Taiwan since 1982, TAICIN L.S. CO., LTD. has been an oil hydraulic valves and pumps manufacturer. Their main products, including High Pressure Single Vane Pumps Hydraulic Solenoid Valves, Pumps, Cartridge Valves, Modular Valves and Proportional Valves, which are designed with DFM and FEA principles.
Taicin is an outstanding company devoted to the professional production and selling of hydraulic valves. Since it was established, Taicin comply with business philosophies of Professional, Quality, and Service. Taicin produce products with precision machining and check manufacture process strictly. Taicin strive to supply products of excellent quality with professional technology and R&D efforts, accompany with considerate service for customer's satisfactory.
TAICIN has been offering customers high-quality hydraulic parts, both with advanced technology and 41 years of experience, TAICIN ensures each customer's demands are met.



