Single stage hydraulic vane pumps
DVM, DVS
DAIKIN type vane pumps
When the pressure is under 70kgf/cm², 1800rpm, its output flow rate of DVS series is from 5 to 41 l/min. When the pressure is under 70kgf/cm², 1800rpm, its output flow rate of DVM series is from 52 to 134l/min.
Features
- Low noise.
- Perfect radial balance which eliminates radial shaft load.
- Low pulsation.
Specification
| Model coding | 在轉速1200rpm. 粘度32mm²/s下的測量值 | ||||||||
|---|---|---|---|---|---|---|---|---|---|
| 流量 (l/min) | 軸功率 (kw) | ||||||||
| 4kgf/cm² | 30kgf/cm² | 50kgf/cm² | 70kgf/cm² | 4kgf/cm² | 10kgf/cm² | 30kgf/cm² | 50kgf/cm² | 70kgf/cm² | |
| DVS※-1V | 6.4 | 5.9 | 5.4 | 5.0 | 0.2 | 0.3 | 0.7 | 1.0 | 1.4 |
| DVS※-2V | 9.0 | 8.4 | 8.0 | 7.5 | 0.2 | 0.4 | 0.8 | 1.3 | 1.7 |
| DVS※-3V | 13.5 | 12.6 | 12.3 | 12.0 | 0.22 | 0.5 | 1.1 | 1.7 | 2.4 |
| DVS※-4V | 19.5 | 18.8 | 18.4 | 18.0 | 0.25 | 0.6 | 1.4 | 2.3 | 3.2 |
| DVS※-5V | 33.0 | 32.2 | 31.6 | 31.0 | 0.33 | 1.0 | 2.3 | 3.6 | 4.9 |
| DVS※-6V | 43.0 | 42.2 | 41.6 | 41.0 | 0.45 | 1.3 | 2.9 | 4.5 | 6.2 |
| DVM※-1V | 57.0 | 55.5 | 53.8 | 52.0 | 0.5 | 1.6 | 3.8 | 6.0 | 8.5 |
| DVM※-2V | 72.0 | 70.0 | 68.5 | 67.0 | 0.8 | 2.2 | 4.8 | 7.7 | 10.5 |
| DVM※-3V | 87.0 | 85.0 | 83.5 | 82.0 | 1.2 | 2.7 | 6.2 | 9.6 | 13.0 |
| DVM※-4V | 108.0 | 106.0 | 104.5 | 103.0 | 1.6 | 3.6 | 7.8 | 11.9 | 16.0 |
| DVM※-5V | 140.0 | 137.0 | 135.5 | 134.0 | 2.1 | 4.6 | 9.5 | 14.3 | 19.0 |
Nomenclature
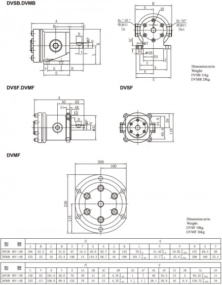
- Unit Dimensions
- Files Download
Single stage hydraulic vane pumps | Over 21 Years World-Class Oil Hydraulic Valves and Pumps Manufacturer | TAICIN L.S. CO., LTD.
Based in Taiwan since 1982, TAICIN L.S. CO., LTD. has been an oil hydraulic valves and pumps manufacturer. Their main products, including Single stage hydraulic vane pumps Hydraulic Solenoid Valves, Pumps, Cartridge Valves, Modular Valves and Proportional Valves, which are designed with DFM and FEA principles.
Taicin is an outstanding company devoted to the professional production and selling of hydraulic valves. Since it was established, Taicin comply with business philosophies of Professional, Quality, and Service. Taicin produce products with precision machining and check manufacture process strictly. Taicin strive to supply products of excellent quality with professional technology and R&D efforts, accompany with considerate service for customer's satisfactory.
TAICIN has been offering customers high-quality hydraulic parts, both with advanced technology and 41 years of experience, TAICIN ensures each customer's demands are met.



